泡沫消防車作為水罐消防車的補充車型,其滅火效果比水罐消防車滅火效果更廣,那么泡沫消防車上配置的泡沫炮是怎么樣分類的呢?
泡沫消防車消防炮的分類
泡沫消防車一般配置兩用消防車,用字母PL代表,兩用炮是按照口徑的大小來分類,一般有以下幾類:PL24、PL32、PL48最常用的幾種。
兩用炮的圖解
1.PL24型消防炮圖解
PL24型消防炮圖解
PL24型消防炮圖解
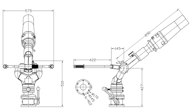
2.PL32型消防炮圖解
PL32型消防炮圖解

PL32型消防炮圖解
3.PL48消防炮圖解
PL48型消防炮圖解
PL48型消防炮圖解
更多兩用消防炮的詳細參數歡迎來電咨詢:152-7133-5277.
相關評論
來自<天津市>的朋友
國六消防車剛剛上市,質量方面明細又提升了一個檔次。
來自<商丘>的朋友
比市場上價格便宜多了,質量又好,非常滿意。
來自<吉林市>的朋友
氣溫低于零下5度就要注意防凍了,低于零下10度就要放入暖房,或者把水放完,不然就會凍裂球閥。
來自<盤錦市>的朋友
天冷了,消防車不知道怎么防凍,客服專門打電話教我們防凍知識,避免了不小的額損失。
來自<九江市>的朋友
國六消防車預計2023年全面執行,現在國五消防車能上牌的地方還是建議購買國五的,價格優惠不少。
來自<杭州市>的朋友
第二次購買消防車,第一次通過對比選擇了新東日消防車,用了快兩年了,公司建分廠需要采購消防車,直接選擇新東日消防車,車子越做越漂亮,質量有提升了,服務跟貼心了。
來自<臨汾市>的朋友
消防車的價格現在是不是降價了呀,我的該換車了,好像是沒有原來的價格高了我覺得。
來自<廣州>的朋友
你好,8噸水罐消防車幾多錢?車子上戶流程是怎么操作的?
來自<馬鞍山>的朋友
購買的時候一直在比較,最終選擇了,新東日公司的消防車,相信自己的眼光,用了一段時間,沒有任何問題。
來自<南通市>的朋友
消防車已經驗收了,車款已經付了,手續都齊全,準備去上牌,廠家給我們講解了上牌的注意事項。